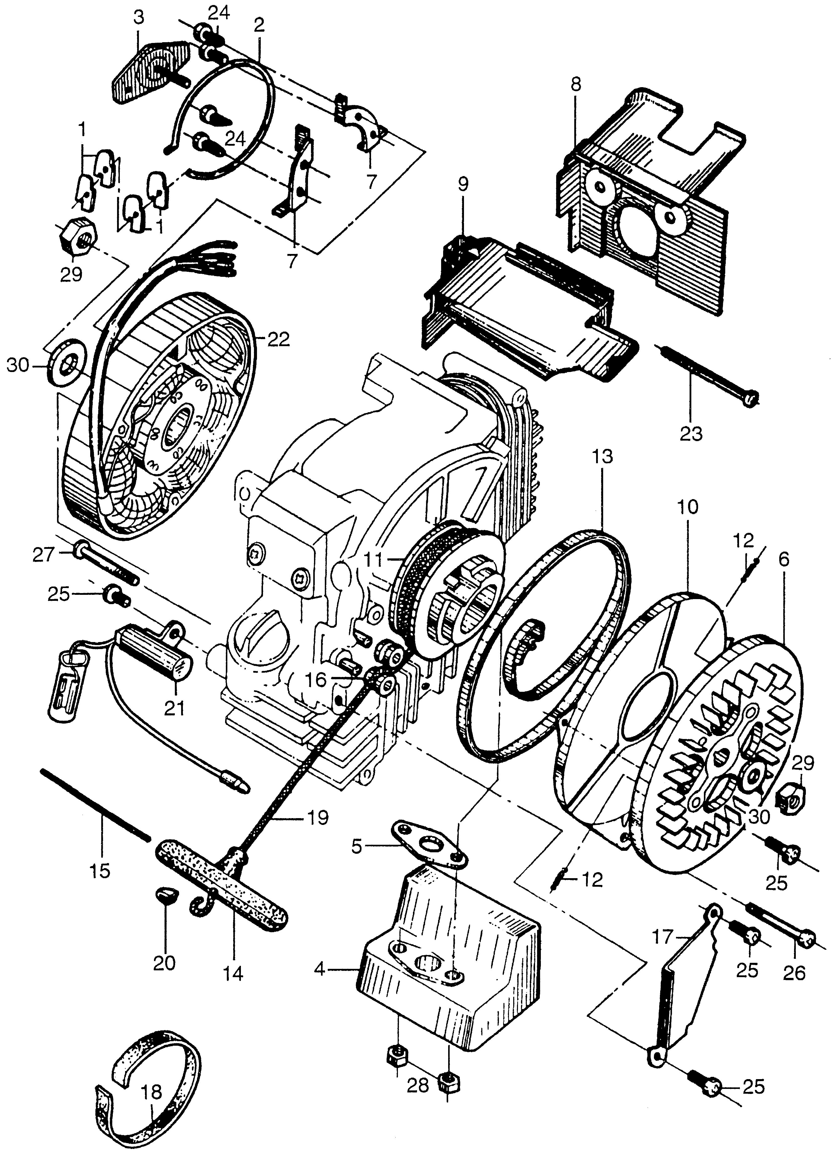
Generators E E40 E40 A GE40-10001-9999999 STARTER@ALTERNATOR - Joseph's Lawnmower & Locksmith Shop

Ref No
Part Number
Description
Serial Range
Qty
Price

Ref No
1
Part Number
16511-800-000
Description
WEIGHT, GOVERNOR (NOT AVAILABLE)
Serial Range
1000001 - 9999999

Ref No
2
Part Number
16515-800-000
Description
RING, GOVERNOR WEIGHT (NOT AVAILABLE)
Serial Range
1000001 - 9999999

Ref No
3
Part Number
16520-800-000
Description
SLIDER, GOVERNOR (NOT AVAILABLE)
Serial Range
1000001 - 9999999

Ref No
4
Part Number
18300-800-000
Description
MUFFLER (NOT AVAILABLE)
Serial Range
1000001 - 9999999

Ref No
5
Part Number
18351-800-000
Description
GASKET, MUFFLER (NOT AVAILABLE)
Serial Range
1000001 - 9999999

Ref No
6
Part Number
19510-801-000
Description
FAN, COOLING (NOT AVAILABLE)
Serial Range
1000001 - 9999999

Ref No
7
Part Number
19531-800-010
Description
FAN, GENERATOR (NOT AVAILABLE)
Serial Range
1000001 - 9999999

Ref No
8
Part Number
19611-814-000
Description
VANE A, GUIDE (NOT AVAILABLE)
Serial Range
1000001 - 9999999

Ref No
9
Part Number
19621-801-000
Description
VANE B, GUIDE (NOT AVAILABLE)
Serial Range
1000001 - 9999999

Ref No
10
Part Number
28411-800-020
Description
CASE, SPRING (NOT AVAILABLE)
Serial Range
1000001 - 9999999

Ref No
11
Part Number
28420-800-010
Description
PULLEY, STARTER (NOT AVAILABLE)
Serial Range
1000001 - 9999999

Ref No
12
Part Number
28446-800-000
Description
SPRING, STARTER PAWL (NOT AVAILABLE)
Serial Range
1000001 - 9999999

Ref No
13
Part Number
28451-800-010
Description
SPRING, STARTER RETURN (NOT AVAILABLE)
Serial Range
1000001 - 9999999

Ref No
14
Part Number
28461-801-000
Description
GRIP, STARTER (NOT AVAILABLE)
Serial Range
1000001 - 9999999

Ref No
15
Part Number
28465-800-000
Description
SHAFT (3MM) (NOT AVAILABLE)
Serial Range
1000001 - 9999999

Ref No
16
Part Number
28476-800-000
Description
ROLLER, STARTER ROPE (NOT AVAILABLE)
Serial Range
1000001 - 9999999

Ref No
17
Part Number
28478-800-000
Description
HOLDER, ROLLER (NOT AVAILABLE)
Serial Range
1000001 - 9999999

Ref No
18
Part Number
28480-800-000
Description
SEAT, OIL (NOT AVAILABLE)
Serial Range
1000001 - 9999999

Ref No
19
Part Number
28634-800-000
Description
ROPE, STARTER (NOT AVAILABLE)
Serial Range
1000001 - 9999999

Ref No
20
Part Number
28635-800-000
Description
PIPE, JOINT (NOT AVAILABLE)
Serial Range
1000001 - 9999999

Ref No
21
Part Number
30250-800-010
Description
CONDENSER (NOT AVAILABLE)
Serial Range
1000001 - 9999999

Ref No
22
Part Number
31100-800-600
Description
ALTERNATOR (NOT AVAILABLE)
Serial Range
1000001 - 9999999

Ref No
23
Part Number
90191-801-000
Description
SCREW, TANK SETTING (NOT AVAILABLE)
Serial Range
1000001 - 9999999

Ref No
24
Part Number
93500-05006-0A
Description
SCREW, PAN (5X6)
Serial Range
1000001 - 9999999
Qty
Price
$11.22

Ref No
25
Part Number
93500-05010-0A
Description
SCREW, PAN (5X10)
Serial Range
1000001 - 9999999
Qty
Price
$11.10

Ref No
26
Part Number
93500-05032-0A
Description
SCREW, PAN (5X32)
Serial Range
1000001 - 9999999
Qty
Price
$11.34

Ref No
27
Part Number
93500-06030-0A
Description
SCREW, PAN (6X30)
Serial Range
1000001 - 9999999
Qty
Price
$11.00

Ref No
28
Part Number
94001-05020
Description
NUT, HEX. (5MM) (NOT AVAILABLE)
Serial Range
1000001 - 9999999

Ref No
29
Part Number
94030-08000
Description
NUT, HEX. (8MM)
Serial Range
1000001 - 9999999
Qty
Price
$11.30

Ref No
30
Part Number
94101-08000
Description
WASHER, PLAIN (8MM)
Serial Range
1000001 - 9999999
Qty
Price
$11.00